شیر برقی پنوماتیک XCPC مدل 4V210-08
شیر برقی پنوماتیک XCPC مدل 4V210-08، یکی از شیرهای کنترلی پرکاربرد و محبوب در سیستمهای پنوماتیک است. این مدل از شیرهای پنوماتیک بهطور خاص برای کنترل جریان هوا در سیستمهای اتوماسیون طراحی شده و میتواند جریان هوا را با دقت و سرعت کنترل کند.
گارانتی اصالت و سلامت فیزیکی کالا
سلونوئید ولو پنوماتیک XCPC مدل 4V210-08
شیر برقی پنوماتیک XCPC مدل 4V210-08، از نوع 5/2 (یعنی دارای 5 پورت و 2 وضعیت) است. این یعنی که دارای پنج پورت (دو ورودی، دو خروجی و یک پورت خروجی فشار) و دو حالت کاری (باز و بسته) است. این شیر برقی قابلیت کار در فشار ۰.۱۵ تا ۰.۸ مگاپاسکال را دارد، که آن را برای سیستمهای مختلف با فشارهای مختلف مناسب میسازد. بدنه شیر از جنس آلومینیوم با کیفیت ساخته شده که مقاومت بالایی در برابر خوردگی و فرسایش دارد و باعث افزایش طول عمر و پایداری شیر در شرایط مختلف محیطی میشود. زمان واکنش این مدل معمولاً بین ۰.۰۵ تا ۰.۱۵ ثانیه است که برای بسیاری از کاربردهای صنعتی و اتوماسیون با نیاز به تغییرات سریع مناسب است.
اندازه پورت ورودی و خروجی شیر ۱/۴ اینچ است. این سایز پورت برای اتصالات متداول در بسیاری از سیستمهای پنوماتیک استاندارد و قابل استفاده است. شیر مدل 4V210-08 در ولتاژهای مختلفی مانند 24، 110، 220 ولت عرضه میشود که به کاربران این امکان را میدهد تا ولتاژ مورد نیاز خود را انتخاب کنند. این مدل از سیمپیچهای با کیفیت و استاندارد برخوردار است و میتواند در محیطهای مختلف به خوبی کار کند. به علاوه، درجه حفاظتی سیمپیچها در این شیرها اغلب IP65 است که مقاومت در برابر گرد و غبار و نفوذ آب را تضمین میکند.
کاربردهای شیر برقی XCPC مدل 4V210-08
به دلیل ویژگیهای فنی و طراحی مناسب، این مدل در صنایع زیر به طور گسترده مورد استفاده قرار میگیرد:
- صنایع خودروسازی: برای کنترل سیستمهای پنوماتیک در خطوط مونتاژ و تولید.
- صنایع بستهبندی: برای حرکت و جابجایی قطعات و اجزا در دستگاههای بستهبندی.
- صنایع غذایی و دارویی: در خطوط تولید که نیاز به کنترل دقیق و بهداشتی هوا دارند.
- سیستمهای اتوماسیون: جهت انجام عملیات سریع و دقیق در دستگاهها و تجهیزات اتوماسیون.
مشخصات کد سفارش شیر برقی پنوماتیک XCPC مدل 4V210-08
طبق تصویر زیر در مدل 4V210-08 به اختصار 4V به معنی ۵/۲ راهه بودن، 2 به سری مدل مربوطه، 10 به معنی تک بوبین-2 وضعیته بودن و 08 به اندازه پورت ورودی و خروجی شیر ۱/۴ اینچ اشاره دارد.

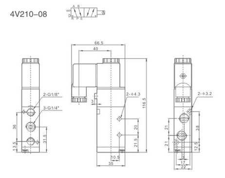
ابعاد ظاهری شیر برقی پنوماتیک XCPC مدل 4V210-08

خرید و قیمت شیر برقی پنوماتیک XCPC مدل 4V210-08
برای خرید شیر برقی پنوماتیک XCPC مدل 4V210-08 از طریق سایت ابزار فایندر اقدام نموده و همچنین برای استعلام قیمت شیر برقی پنوماتیک XCPC مدل 4V210-08 می توانید با کارشناسان فروش شرکت تماس حاصل فرمایید.
مشخصات فنی شیر برقی پنوماتیک XCPC مدل 4V210-08
- سایز اتصال (pip size): 1/4 اینچ
- وضعیت : 5/2 راهه
- بازه فشار : 0.5 تا 8 بار
- سایز اگزوز : 1/8 اینچ
- متریال : آلمینیوم , برنج , فولاد ضد زنگ , پلاستیک مهندسی شده
- محدوده کاری : هوای فشرده ۴۰ میکرون
- کلاس عایق و حفاظتی : F - IP65